Skip to main content

WELCOME TO THE NEW

RMG Zone industrial and digital collaboration diagram for international rotational molding machinery integration.

HORIZONTAL INTEGRATION POWERING A GLOBAL ROTOMOLDING INNOVATION ZONE.

WHAT IS THE RMG ZONE?

UNITED IN EXPERTISE, DRIVEN BY INNOVATION.

The RMG Zone is our shared innovation space — a digital and industrial ecosystem for rotomolding machinery, molds and automation. It brings together STP Rotomachinery in North America, PLV (Polivinil) in Europe and our trusted partners in Asia to design the next generation of rotational molding solutions.

In the RMG Zone, horizontal integration means more than sharing a logo. It means a single roadmap for Industry 4.0 / 5.0: smart connectivity, cyber-secure data, advanced automation and a coordinated East–West supply chain that keeps rotomolders competitive in North America, Europe and beyond.

  • Integrated expertise — STP’s North American experience, PLV’s European engineering and our Asian partners aligned on one technology stack for rotomolding machinery.
  • Industry 4.0 / 5.0 ready — IoT-enabled machines, advanced automation and data tools designed for predictive maintenance and performance dashboards.
  • East–West manufacturing network — optimized mix of Canadian, Italian and Chinese capabilities to deliver cost-competitive, high-value rotational molding equipment.
  • Customer-centric innovation — solutions engineered around cycle time, energy, quality and uptime, not just hardware.
The RMG Zone is where our machines, software, data and people meet. It is where rotomolding moves from simple heat and rotation to a fully connected, automated and service-driven production model.

RMG Steward is the digital control center for your entire rotomolding fleet. Track performance, access documentation, manage service tickets and monitor every machine — from anywhere in the world.

CONNECTIVITY · DIGITAL PLATFORM

CONNECTED BY RMG STEWARD

ONE PLATFORM FOR EVERY MACHINE, PLANT AND TEAM.

RMG Steward is our centralized connectivity platform — the place where machines, data and people meet. Every RMG Zone installation becomes a managed, traceable asset with a complete digital history.

  • 3D manuals & documentation — always updated and interactive.
  • Spare parts catalog & ordering — exploded views & pricing.
  • AI troubleshooting — guided diagnostics to reduce downtime.
  • Service tickets & warranty — log, track and follow interventions.
  • BI dashboards — KPIs, alarms, energy reports and trends.
  • IoT & predictive maintenance — ready for sensors and edge devices.

Talk to us about connecting your fleet with RMG Steward.

CONTACT US

AUTOMATION · SAFETY · PERFORMANCE

RMG AUTOMATION & QUICK-CONNECT

FASTER SETUPS WITH SAFER OPERATIONS.

RMG Automation works with rotomolders to make mold handling faster, safer and more consistent. Our Quick-Connect system replaces multiple bolts and power tools with a single locking point and a simple manual tool – reducing changeover time and operator fatigue.

  • One-bolt locking – secure molds or spiders in seconds.
  • No power tools – eliminates high-torque guns and strain.
  • Consistent clamp force – better repeatability & quality.
  • Safer workflow – ergonomics and operator protection by design.
  • Faster mold changeovers – more productive hours per shift.
  • Custom integration – adapted to your arms, spiders and molds.

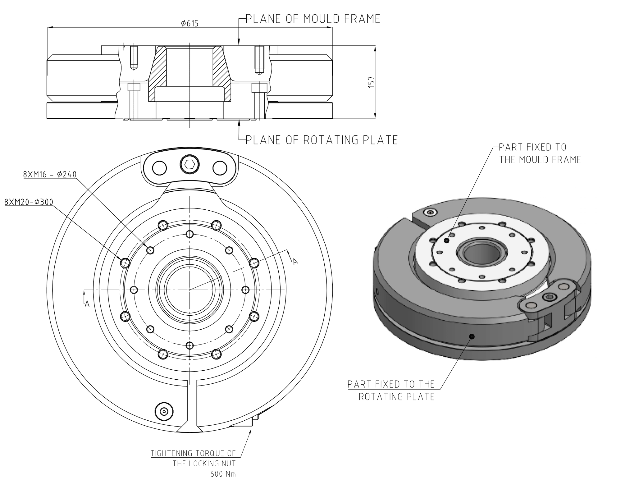
Quick-Connect System Dimensions

Open the technical drawing showing the mould mounting interface.

Open Drawing

Quick-Connect by RMG Automation helps standardize mold mounting across arms and machines—simplifying training and improving day-to-day safety on the production floor.

Strategic manufacturing alliance Exclusive to North America (US & Canada)

NEW ALLIANCE FOR THE NORTH AMERICAN MARKET

Rotomachinery Group (RMG) and Rising Sun Rotomoulding have formed a focused and strategic alliance dedicated exclusively to the North American market — the United States and Canada. This is where both companies share aligned interests, an overlapping customer base, and complementary strengths in engineering, manufacturing, and service.

What this alliance brings

  • Stallion machine line: a co-developed solution that merges Rising Sun’s high-volume production with RMG’s North-American engineering oversight, compliance standards, and deep rotomoulding process expertise.
  • Local integration & service: machines are engineered, configured, installed, and serviced through RMG/STP in Canada, providing direct support, spare parts, on-site intervention, and technical guidance.
  • Optimized cost–performance: customers benefit from globally competitive manufacturing without sacrificing quality control, compliance, or lifecycle support.

Clear geographic focus

  • Only for the US & Canada: the alliance is intentionally limited to North America, where the partnership creates maximal value.
  • Aligned strategy: both companies maintain their own independent structures outside North America, preserving clarity for global customers.
  • Direct support infrastructure: service, commissioning, retrofits, and audits are all delivered locally through RMG/STP technicians.

Together, RMG / STP and Rising Sun deliver Stallion machines that are globally competitive in cost and locally anchored in engineering, compliance, and service for North American rotomoulders.

STALLION MACHINE LINE · POWER · RELIABILITY

Stallion – the workhorse of rotomoulding.

Stallion is our new machine line co-developed with Rising Sun Rotomoulding. Built for robust production, optimised heat performance and easy maintenance, it delivers reliable capacity at a highly competitive investment level.

  • Heavy-duty structure engineered for long service life.
  • Efficient heating & airflow for consistent part quality.
  • Designed for simple access, service and upgrades.

Explore the full Stallion range and configure your machine.

Visit StallionRoto.com